止回閥

H11W絲扣升降式止回閥
產品簡介
News Center
新聞中心公稱通徑:DN8-DN80
公稱壓力:1.6Mpa(200psi)
適用溫度:-40℃~250℃
適用介質:水、油、氣
閥體材質:不銹鋼
連接方式:G?NPT.BSPT.BSP DIN259/2999
1、結構簡單、體積小、重量輕。
2、流道通暢、流體阻力小,閥瓣在很小的壓差下就能完全打開。
3、維修方便,球閥結構簡單,密封圈一般都是活動的,拆卸更換都比較方便。
| 型號 | 公稱壓力 | 試驗壓力 | 工作溫度℃ | 適用介質 | |
| 強度(水)MPa | 密封(水)MPa | ||||
| H11T-16 | 1.6 | 2.4 | 1.8 | ≤200 | 蒸汽、水 |
| H11W-16 | 1.6 | 2.4 | 1.8 | ≤100 | 油 |
| 零件名稱 | 材料 | |
| H11T-16 | H11W-16 | |
| 閥體、閥蓋 | 灰鑄鐵 | 灰鑄鐵 |
| 密封圈 | 鋼銅 | 灰鑄鐵 |
| 墊片 | 石棉板 | 石棉板 |

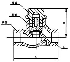
| 型號 | 公稱通徑 | 尺寸(mm) | ||||
| DN(mm) | L | I | H | S | S0 | |
| H11W-16P | 15 | 90 | 13 | 55 | 30 | 27 |
| 20 | 100 | 16 | 57 | 36 | 30 | |
| 25 | 120 | 18 | 63 | 46 | 32 | |
| 32 | 140 | 18 | 73 | 55 | 36 | |
| 40 | 170 | 22 | 83 | 92 | 42 | |
| 50 | 200 | 24 | 90 | 75 | 42 | |
在線留言